閉じる
CLOSE
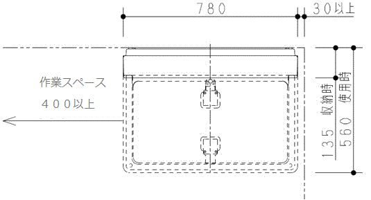
ベビーシート(YKA25R)の設置位置の基準、及び注意点はありますか?
設置位置の基準および注意点は、あります。下記をご参照ください。
【設置基準】 【注意点】 ベビーシートを設置の際は、同じ空間内に必ずベビーチェアを併設してください。 合わせてQ1817を参照ください。
Home > お客様サポート > Q&A > 詳細
カタログを請求する・見る
ショールームに行く
リフォーム情報(TOTOリフォーム)
※本サイトに表示の税込価格は消費税率10%で計算し、小数点以下は四捨五入しております。
お客様サポートトップ